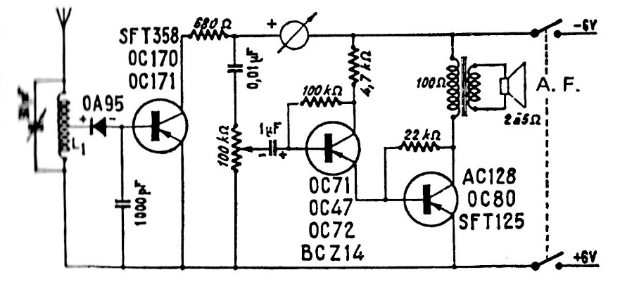
This circuit is from a documentation from the 70s. The transistors are types of germanium of the time and the coil consists of 15 turns of wire 28 in the form of 5 mm without core. Equivalent transistors can be tested. The tap is in the center of the coil winding.




