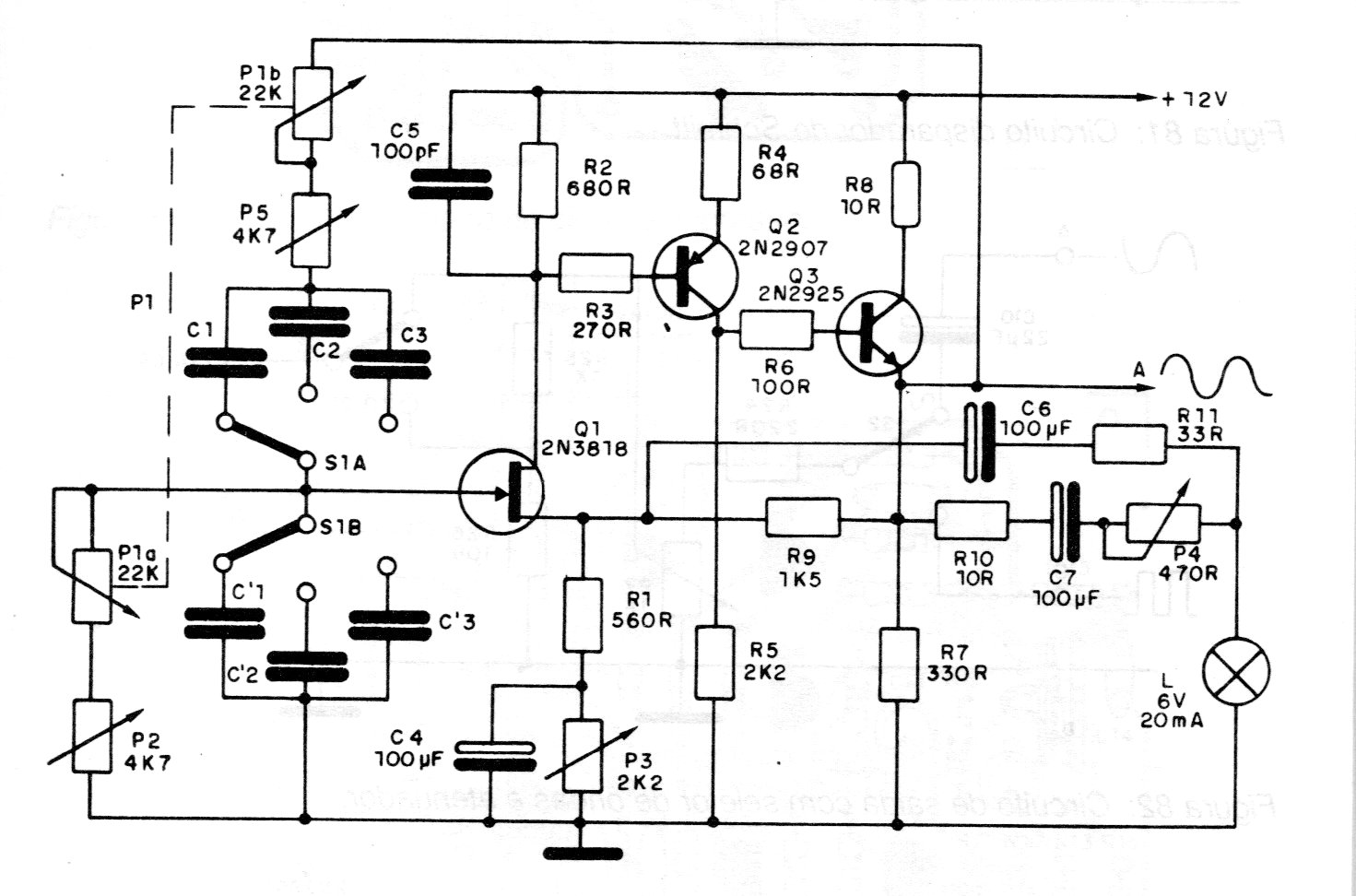
This audio generator that produces both rectangular and sinusoidal signals was found in a publication from the 1980s. The components used are still common, and the BF245 can be used for FET. The circuit generates signals in the 20 Hz to 20 kHz range.




