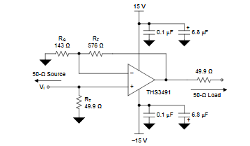
This 320 to 900 MHz amplifier with the Texas Instruments TSH3491 integrated circuit was obtained from the component's own datasheet. The circuit directly supplies a 50-ohm load with 500 mA current reaching a gain of 5 V / V. The circuit requires symmetrical power supply.




