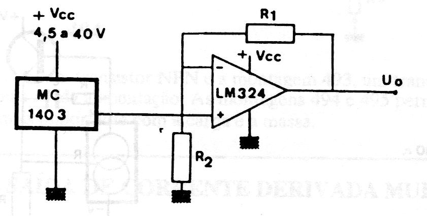
This circuit is based on the voltage reference that is uncommon today MC1403. Equivalents can be used, as well as the operational amplifier that does not need a symmetrical source. R1 and R2 have typical values between 10k and 100k.
This circuit is based on the voltage reference that is uncommon today MC1403. Equivalents can be used, as well as the operational amplifier that does not need a symmetrical source. R1 and R2 have typical values between 10k and 100k.