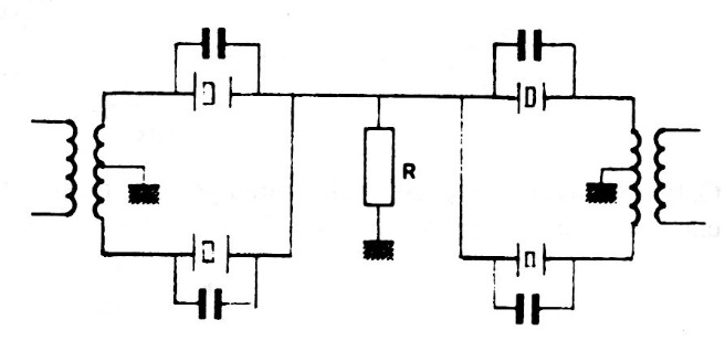
This filter configuration used in telecommunications uses 4 Jaumnann crystals that are interesting for low and medium frequencies. The circuit is from an 80's documentation.
This single transistor radio without a power supply was found in documentation from the 1960s. The...
This converter can be used to send information remotely from linear transducers, converting voltages...
This circuit, very traditional, was found in a practical Elettronica of 1977. The source cannot be of...