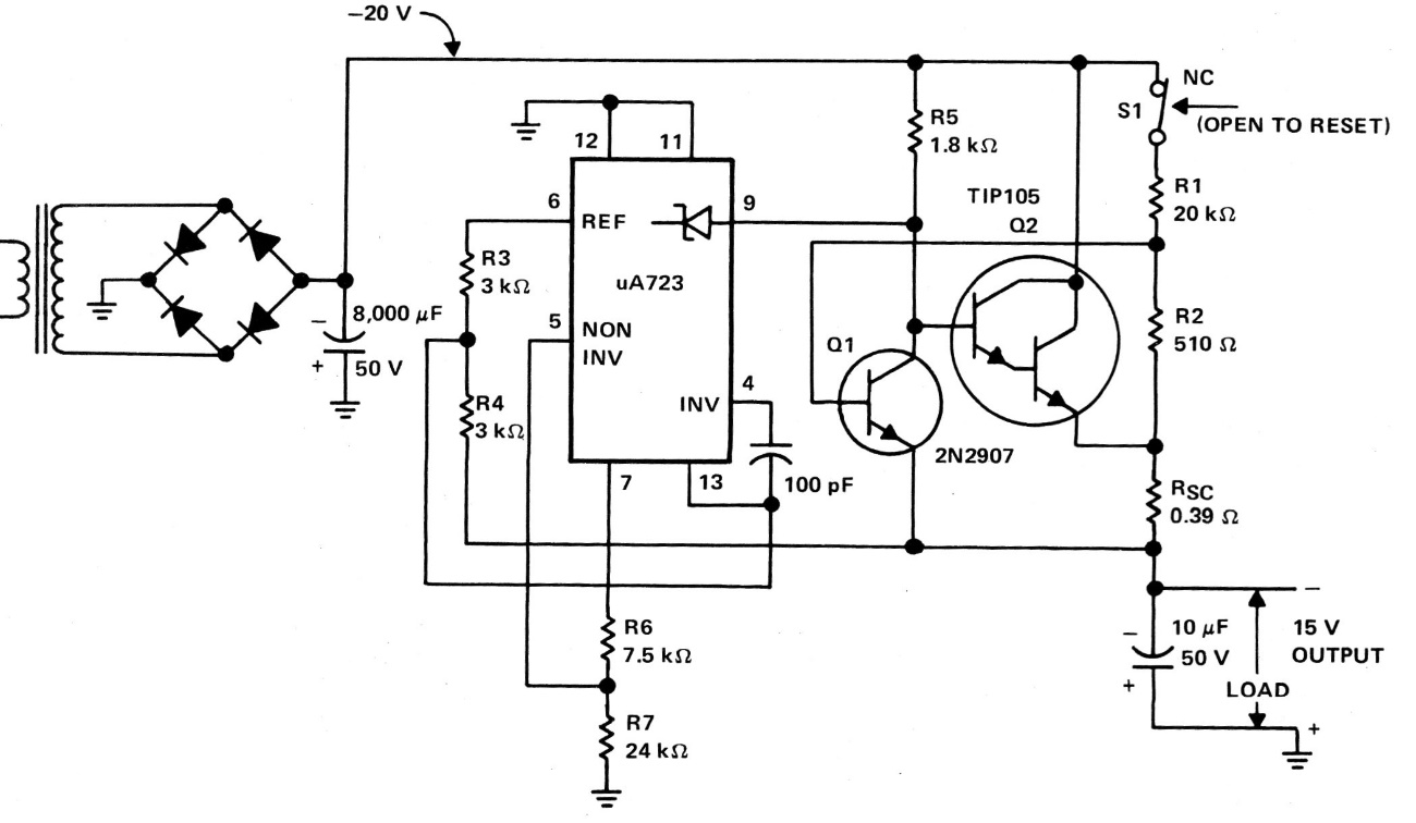
The integrated circuit used in this power supply is no longer very common in power supplies today. However, there are still sources that use it for its excellent qualities in this type of application. The circuit shown is from 1980s documentation and the power transistor must have a good heat sink.




