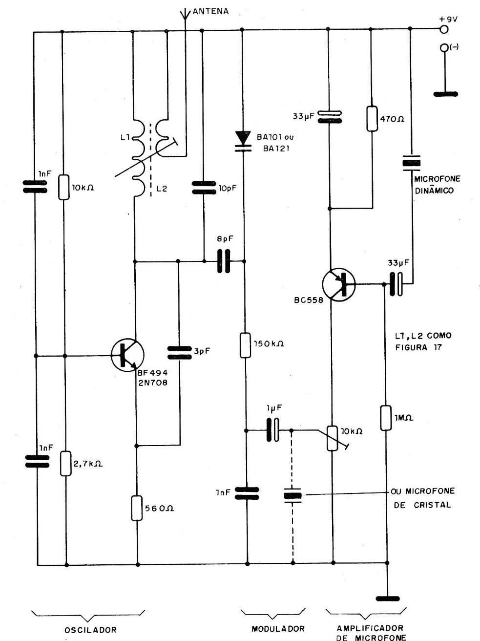
This circuit with variable capacitance diode (varicap) is from a publication from the 90s. The coil is as in the CB19425E project and the transistors admit equivalent as well as the varicap diode. The power is powered by a 9 V battery and the frequency will be in the FM range.




