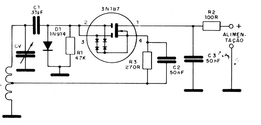
This circuit uses a dual floodgate MOSFET not very easy to obtain today. Its handling is very delicate, and the coil depends on the frequency you want to generate. The circuit reaches several tens of megahertz.
This circuit uses a dual floodgate MOSFET not very easy to obtain today. Its handling is very delicate, and the coil depends on the frequency you want to generate. The circuit reaches several tens of megahertz.