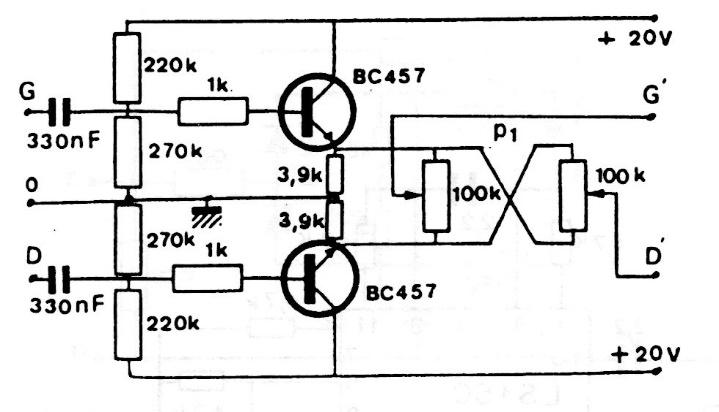
This balance or balance circuit with phase inversion was found in documentation from the 90s. Transistors can be low noise equivalents like BC549.
This small medium wave radio was manufactured in the 1960s in Japan. The circuit is powered by 4...
This transistorized receiver was found in Popular Electronics from February 1968. Transistors are...
We found this circuit in the Linear Applications Handbook by National Semiconductor. The circuit can...