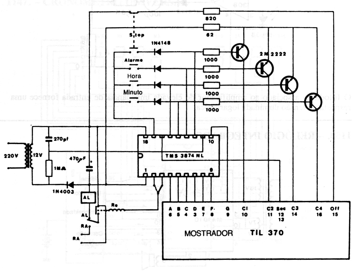
We found this circuit in a technical documentation from the 1980s. The circuit is from Texas Instruments with components from that time, not very common today.
This control is intended for 110 VAC or 220 VAC Motors. Any TIC series triac can be used according the power...
This 1965 General Electric circuit uses a "Thyrector" that is a suppressor of the time. The...
The S-meter is a signal strength meter used in communication receivers. This circuit was found in...