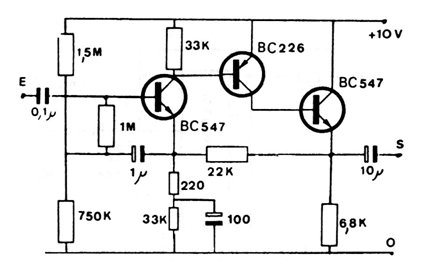
We found this preamplifier circuit with high input resistance, on the order of 30 M ohms, in an old documentation. Transistors can be exchanged for modern equivalents. The voltage gain is 100 and the output resistance is 150 ohms.

We found this preamplifier circuit with high input resistance, on the order of 30 M ohms, in an old documentation. Transistors can be exchanged for modern equivalents. The voltage gain is 100 and the output resistance is 150 ohms.
