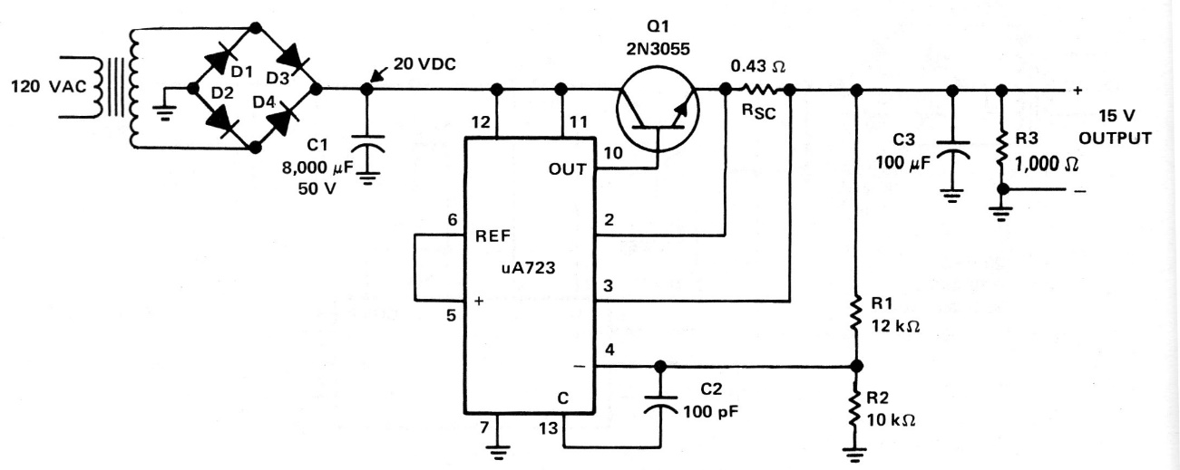
The integrated circuit used is no longer very common today, but there are still many sources that employ it. The circuit was found in old Texas Instruments documentation and uses a 10 V transformer with 1 A of current.
The integrated circuit used is no longer very common today, but there are still many sources that employ it. The circuit was found in old Texas Instruments documentation and uses a 10 V transformer with 1 A of current.