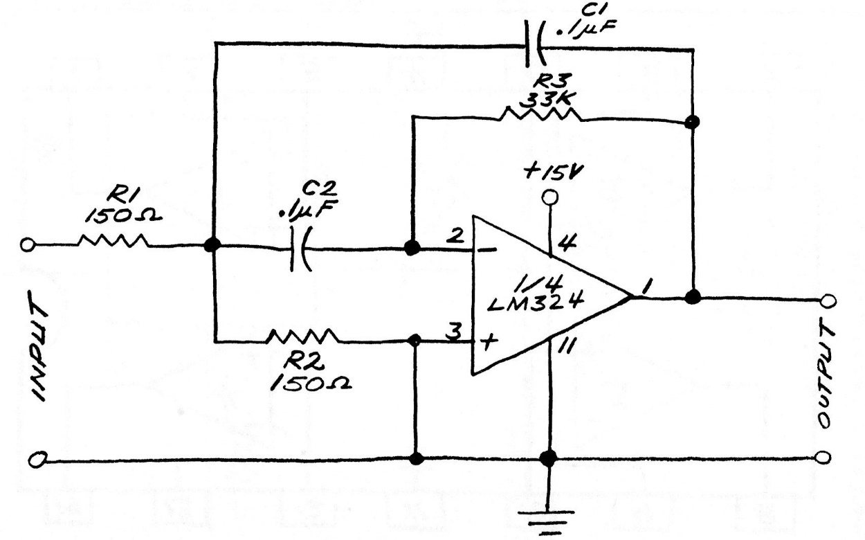
Capacitors determine the frequency range together with resistors, and these components can be changed. The operational amplifier admits equivalent and the supply voltage, depending on the operational amplifier, it can be between 5 and 20 V. The circuit is from an American publication from the 90's.




