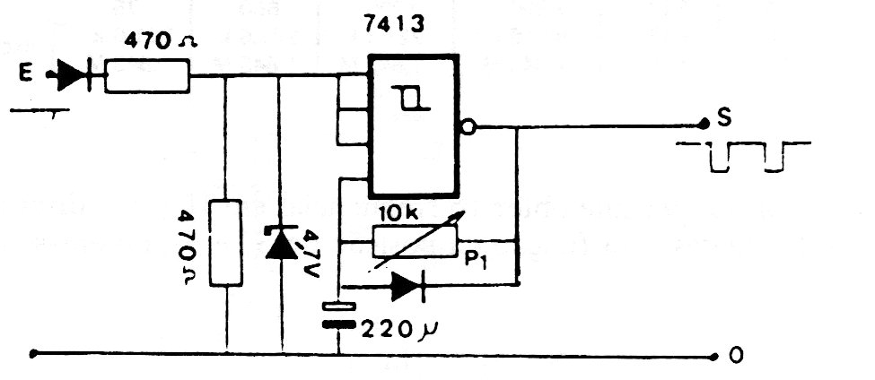
In fact, this circuit can generate 50 Hz or 60 Hz signals depending on the power supply. The input signal comes from the 6 to 12 V secondary of a transformer connected to the power grid. The waveform of the generated signal appears in the diagram.
In fact, this circuit can generate 50 Hz or 60 Hz signals depending on the power supply. The input signal comes from the 6 to 12 V secondary of a transformer connected to the power grid. The waveform of the generated signal appears in the diagram.