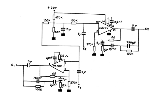
This circuit is from an 80's publication, using components from that time. Integrated circuits are uncommon today, but the configuration can be adapted to use modern operational amplifiers. The circuit must be powered by a relatively high voltage obtained from the amplifier with which it operates.




