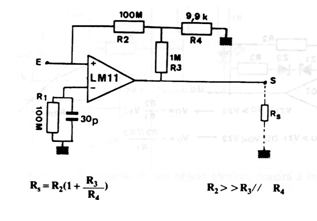
The idea of this circuit is to obtain a resistance of 10G ohms using an operational amplifier. Equivalent operational amplifiers can be used. The multiplication depends on the relationship of values between the resistors, according to the formula given next to the diagram.




