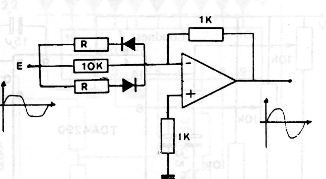
The expansion rate of this circuit is determined by R. The circuit can use any operational amplifier and the power supply must be symmetrical. Resistor R must be less than 10k.
This charger was found in an old Motorola manual using an SCR from this company, which, however, can...
This circuit visually indicates that a high voltage is present in an outlet or other point. The...
This simple circuit of effects is interspersed between the instrument and the amplifier. It is...