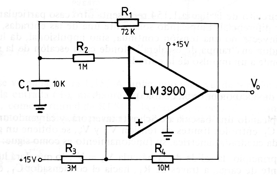
We found this circuit in a 1991 European documentation. The circuit shows how to use the LM3900 transconductance operational amplifier as a 1 kHz oscillator that produces a symmetrical square signal. The frequency can be changed by changing the C1. The power supply can be 6 to 15 V.




