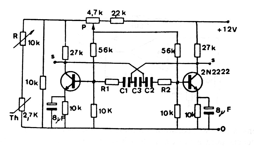
This astable was found in a European technical documentation from the 80's. The perfectly symmetrical unsaturated circuit has a generated frequency that depends on the capacitors C and the R setting. operation.
This astable was found in a European technical documentation from the 80's. The perfectly symmetrical unsaturated circuit has a generated frequency that depends on the capacitors C and the R setting. operation.