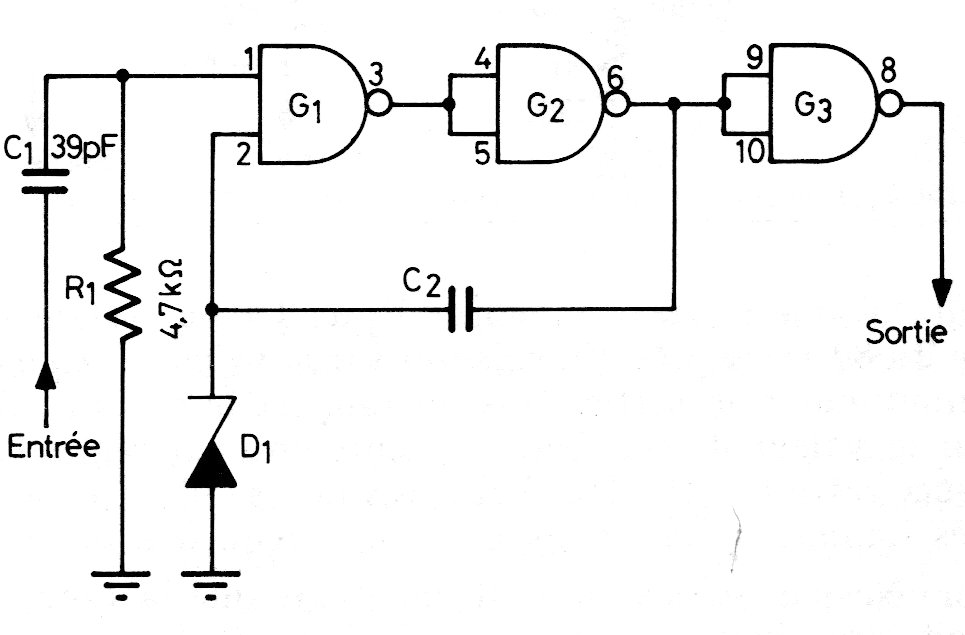
This TTL trigger circuit with the 7400 can be used as a signal conditioner in an input shield for microcontrollers. The circuit is old, but the application is modern. The supply must be made with 5 V. We found the circuit in an old European documentation. Zener is 3 to 3.7V.




