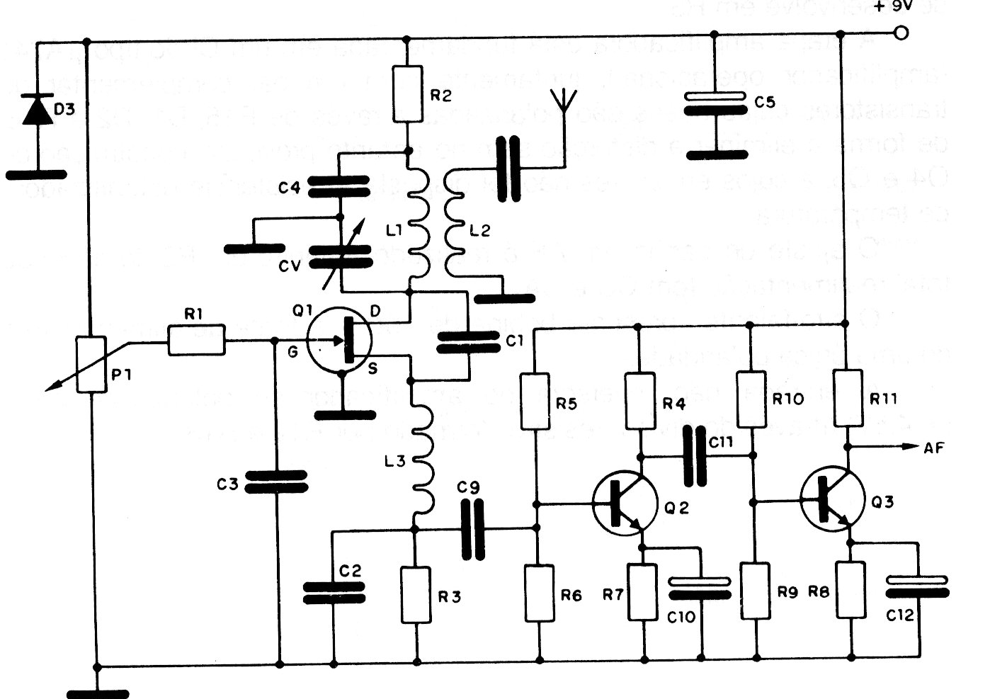
This range is normally used in marine communications as indicated in the 1989 documentation. The circuit is from a publication of the time and has an output to an amplifier stage that can be any external amplifier, or the circuit given in CIR13050. The values of the non-given components can be obtained from similar circuits of FM and VHF receivers that we have on the website.




