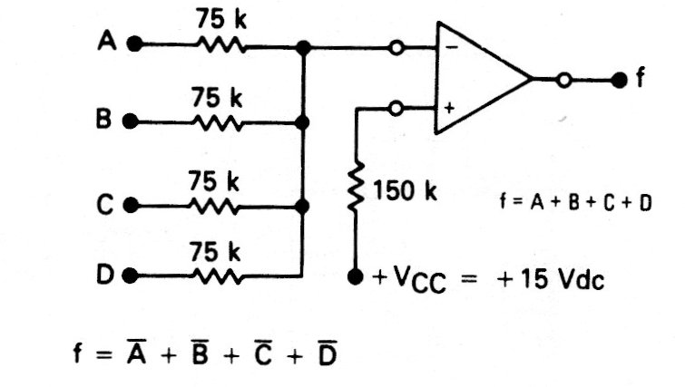
In the figure we have the way to implement a NO OR or NOR gate with an operational amplifier. The number of inputs can be changed.
This charger was found in an old Motorola manual using an SCR from this company, which, however, can...
This circuit visually indicates that a high voltage is present in an outlet or other point. The...
This simple circuit of effects is interspersed between the instrument and the amplifier. It is...