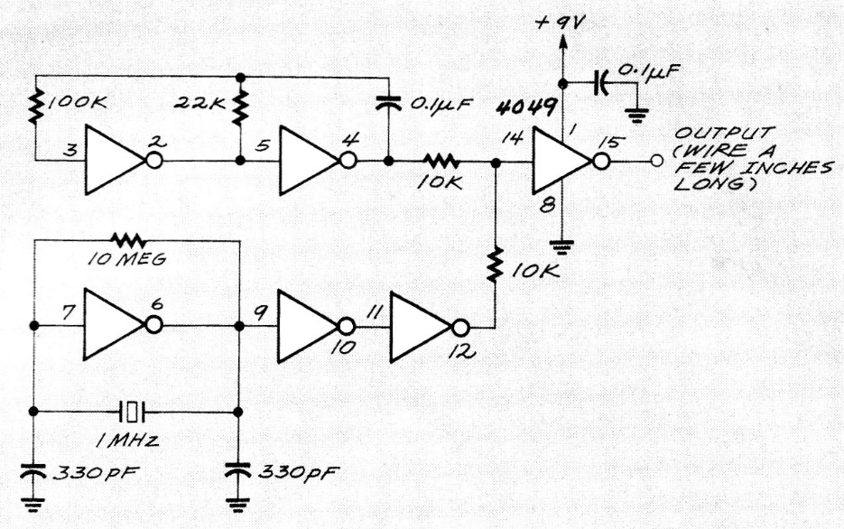
This small digital transmitter uses a 1 MHz crystal, or another nearby frequency, to produce a signal that reaches a few meters. The circuit is very rich in harmonics, serving only for demonstrations. Other circuits of the same type can be found on this website.




