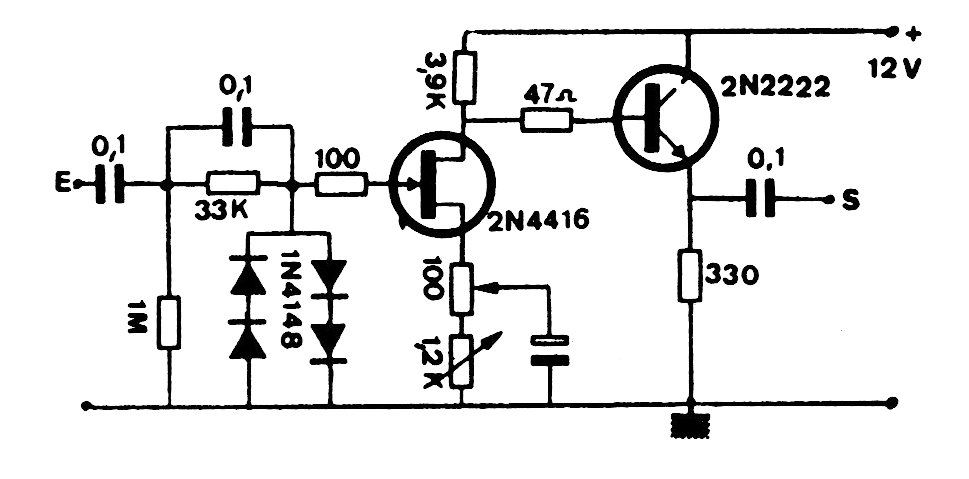
This circuit consists of an amplifying probe for oscilloscopes and other instruments that can operate with signals up to 10 MHz. The input impedance is 1M ohms and the voltage gain is 100. Equivalent transistors can be used.
This circuit consists of an amplifying probe for oscilloscopes and other instruments that can operate with signals up to 10 MHz. The input impedance is 1M ohms and the voltage gain is 100. Equivalent transistors can be used.