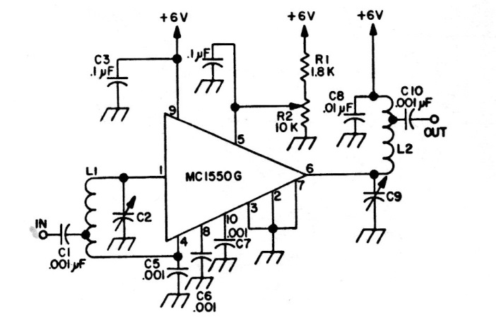
This circuit from the 80s uses an integrated circuit from the time. The CI is difficult to find today, and the original diagram does not provide information about the coils. The power supply must be symmetrical.
This circuit from the 80s uses an integrated circuit from the time. The CI is difficult to find today, and the original diagram does not provide information about the coils. The power supply must be symmetrical.