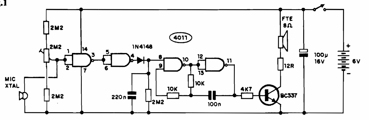
This circuit has an oscillator triggered when the microphone picks up sounds, noises or even vibrations if it is supported on a surface. The circuit is powered by a voltage of 6 V and the ringing time is given by the 220 nF capacitor that can be changed.




