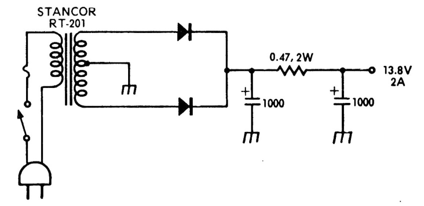
This 13 A V power supply with 2 A uses a transformer with 12 V of secondary and 2 A of current. The diodes can be 1N5404 or equivalent for 2 A or more.
We found this test circuit in a March 1967 Radio Electronics. The circuit uses a zener-regulated supply and...
We found this circuit in a 1995 publication. It applies to transceivers in the citizen's range (11...
The figure shows how to associate flip-flops in a shift register to obtain a lower frequency...