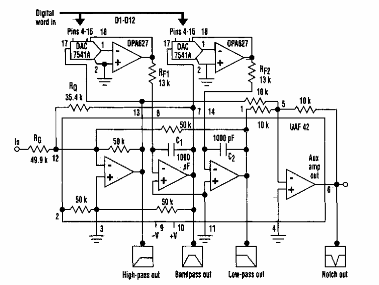
This circuit was found in an Electronic Design. The circuit can be programmed to operate in different frequency ranges with the indicated characteristics. The IC component is uncommon today.
We found this complementary simetry configuration in a1980s documentation. Transistors, which are...
This circuit was obtained from the May 1971 issue of Radio Electronics magazine and is intended for...
This circuit acts as a VU-meter when connected at the output of any audio amplifier, triggering a...