This configuration makes use of currently uncommon components. In fact, we found it in documentation from the 70s. Equivalent operational amplifiers can be used.
This circuit is from 1998 documentation. The circuit uses the TDA2002 in a bridged configuration and...
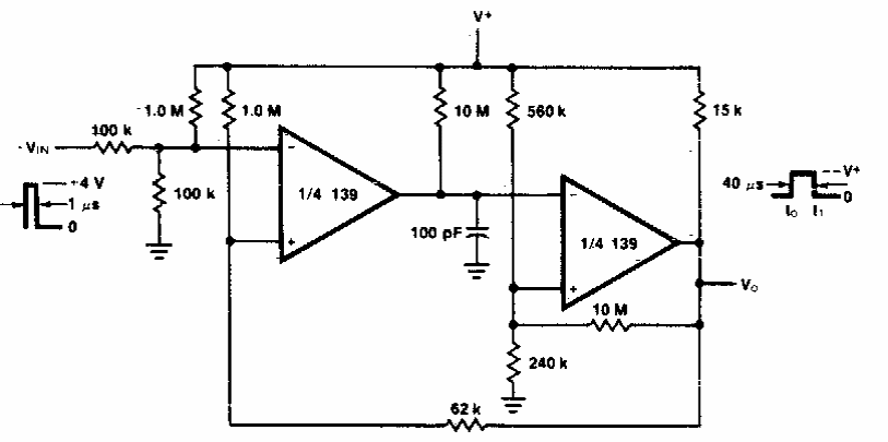
We find this circuit in a 1977 technical documentation. The circuit generates signals in a wide...
For -48 V voltages, this fast sensor was found in a 2005 Linear Technology application manual. The...