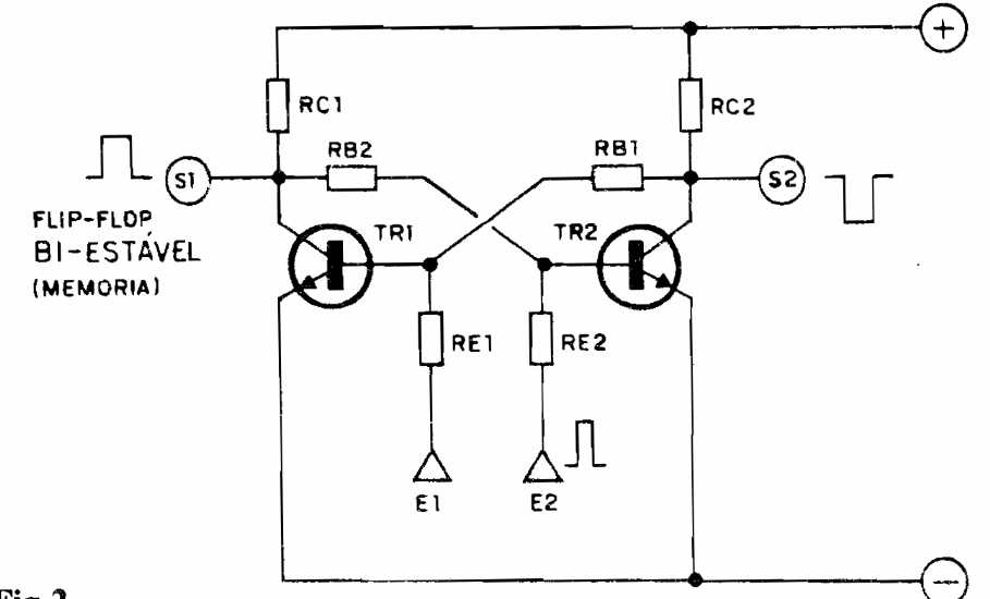
This circuit that appears in several versions in this section and on this website was found in documentation from the 1980s. The transistors can be of any general purpose NPN type like the BC548.
January 2017 - Mouser Electronics already has the new Ultra Low Drop controllers from Toshiba...
This circuit is from a 1998 Poptronics. The circuit triggers a buzzer after a certain time, waking...
Found in a Radio Electronics from May 1964, this circuit activates a relay depending on the supply...