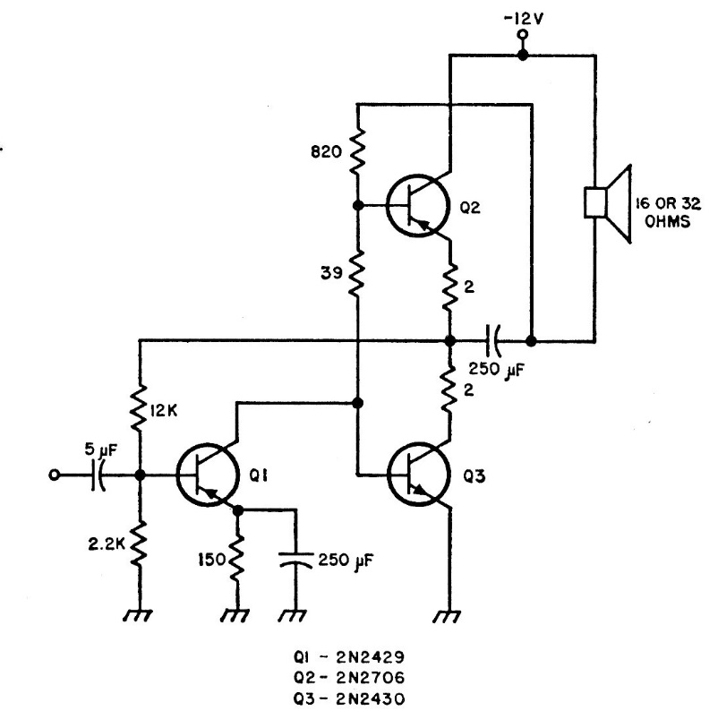
This circuit is from 70's documentation. The output transistors can be BC548 and BC549. The driver may be the BC558. The supply is made with 12 V. The circuit has a response from 15 Hz to 130 kHz.
This circuit is from 70's documentation. The output transistors can be BC548 and BC549. The driver may be the BC558. The supply is made with 12 V. The circuit has a response from 15 Hz to 130 kHz.