This type of logic is no longer used today. The circuit is from an old American publication and the integrated circuit is uncommon today. Diodes are general-purpose tpes.
We found this complementary simetry configuration in a1980s documentation. Transistors, which are...
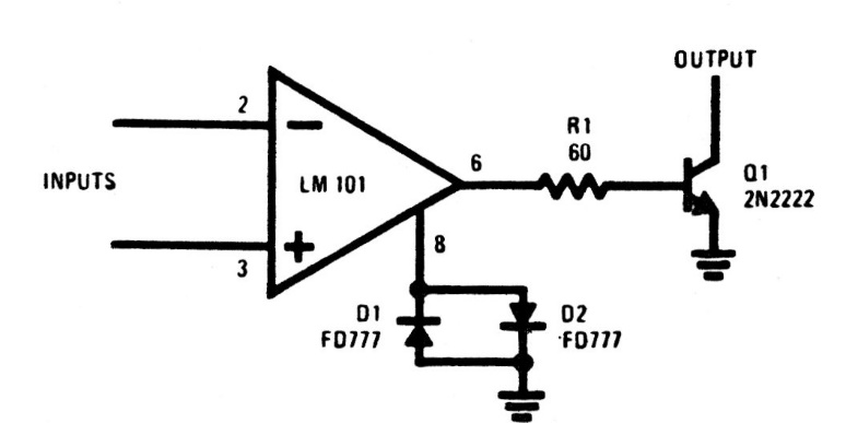
This circuit was obtained from the May 1971 issue of Radio Electronics magazine and is intended for...
This circuit acts as a VU-meter when connected at the output of any audio amplifier, triggering a...