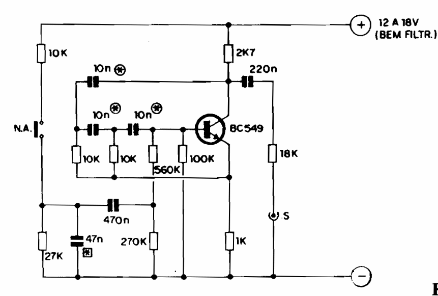
This circuit produces the sound of percussion such as blocks, drum, bell, etc. The frequency depends on the marked capacitors, which can have a wide range of values depending on the desired sound.
This circuit triggers an alarm when the mains power is cut off. The circuit was found in the July...
This acutely tuned circuit was found in American documentation from the 1960s. The transistors are germanium...
This small AM transmitter was found in American documentation from the 1980s. Transistor support...