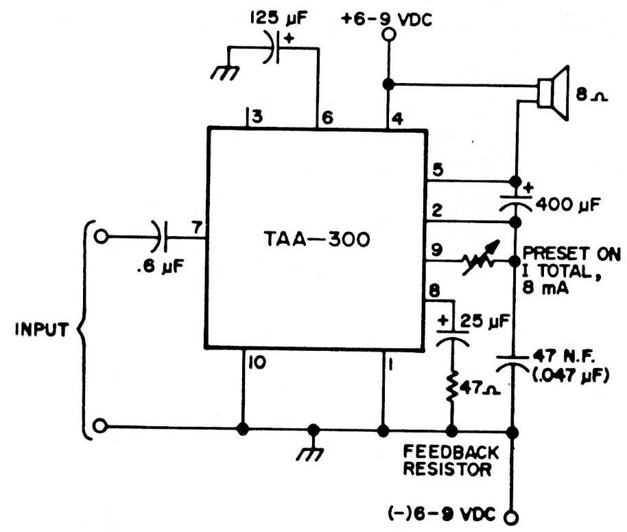
The integrated circuit used in this 70's application is not common today. The circuit consists of a small audio amplifier with few external components.
This circuit triggers an alarm when the mains power is cut off. The circuit was found in the July...
This acutely tuned circuit was found in American documentation from the 1960s. The transistors are germanium...
This small AM transmitter was found in American documentation from the 1980s. Transistor support...