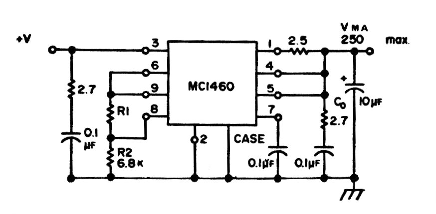
The maximum input voltage of this circuit is 20V and the output current is 250 mA. The circuit is from old documentation. The integrated circuit used is no longer common in our time.
This circuit converts a constant input current intensity into a voltage given by Vo = -R x I. T1...
This circuit blocks 60 Hz signals and can be used in filters for audio equipment. The operational...
We find the circuit below in the 1994 Linear Applications Handbook by National Semiconductor. The...