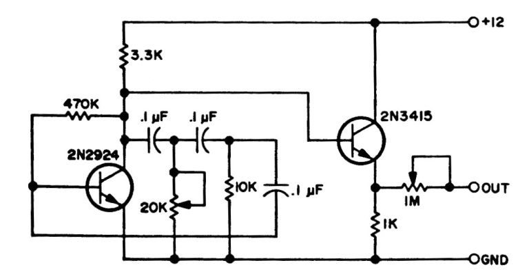
The original purpose of this circuit, which we find in old American documentation, is to modulate an RF carrier for telecommunications applications. Transistors support equivalents.
We found this circuit in a 2001 publication. It consists of a system that automatically discharges a...
This third-order Butterworth filter was found in American documentation from the 1980s. Formulas for...
This circuit that drives an electromechanical counter of the time was found in Radio Electronics magazine...