It is an improved version of the previous circuit with a voltage follower that reduces the load impedance. The circuit was found in American documentation from the 1980s.
This circuit triggers an alarm when the mains power is cut off. The circuit was found in the July...
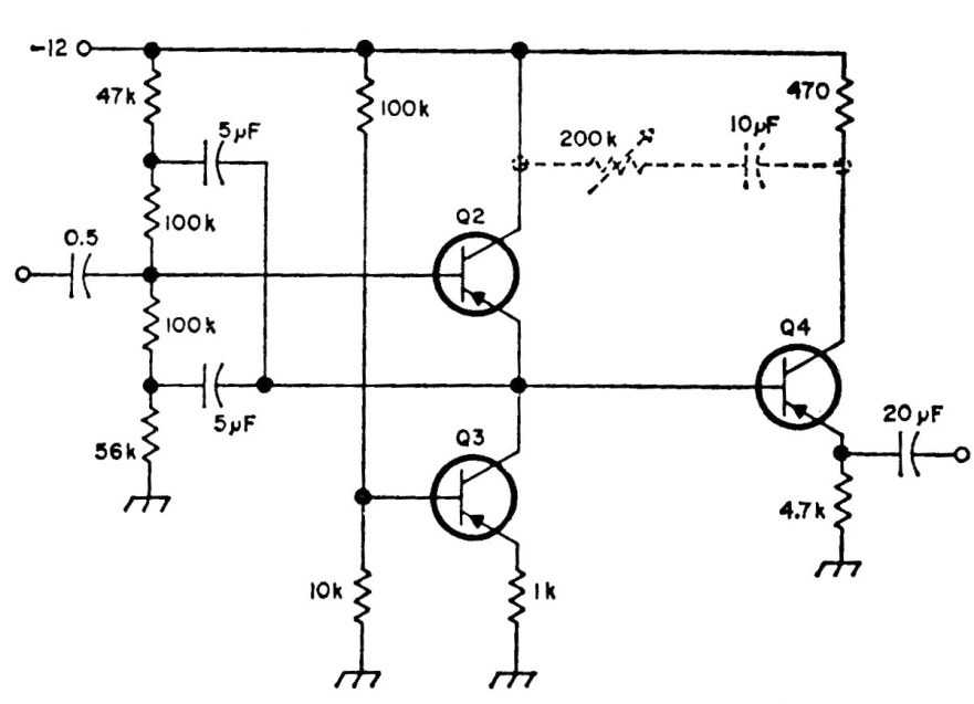
This acutely tuned circuit was found in American documentation from the 1960s. The transistors are germanium...
This small AM transmitter was found in American documentation from the 1980s. Transistor support...