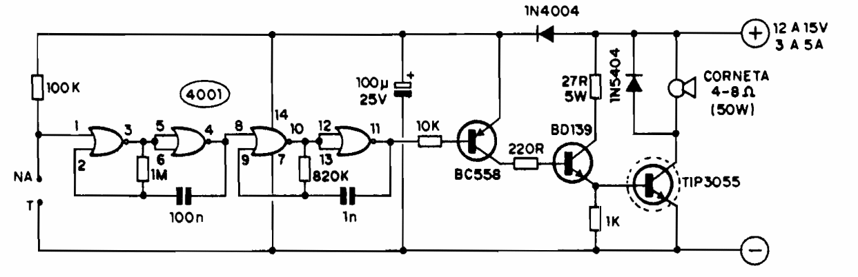
This powerful siren is suitable for warning or alarm systems. The components are current and the transistor 3055 must be mounted on a good heat sink.
This circuit was found in a 1977 documentation. With it we have the direct indication, through LEDs...
In the figure we have the CMOS logic test circuit developed with the 4049. The circuit activates three...
This headlight reminder for your car was found in the May 1970 issue of Radio Electronics...