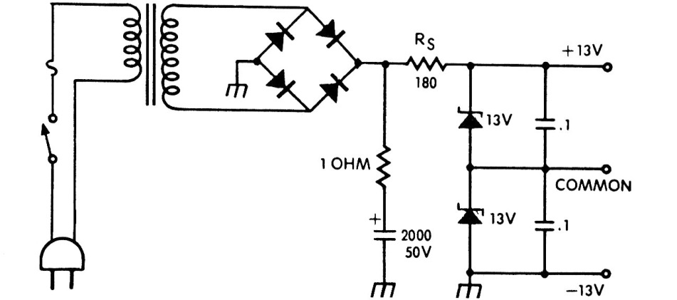
This source is a variation of the previous one, using two Zen diodes to stabilize the output voltage. The bridge diodes can be 1N4002 and the transformer has a 12 V secondary with a current of up to 500 mA.
This source is a variation of the previous one, using two Zen diodes to stabilize the output voltage. The bridge diodes can be 1N4002 and the transformer has a 12 V secondary with a current of up to 500 mA.