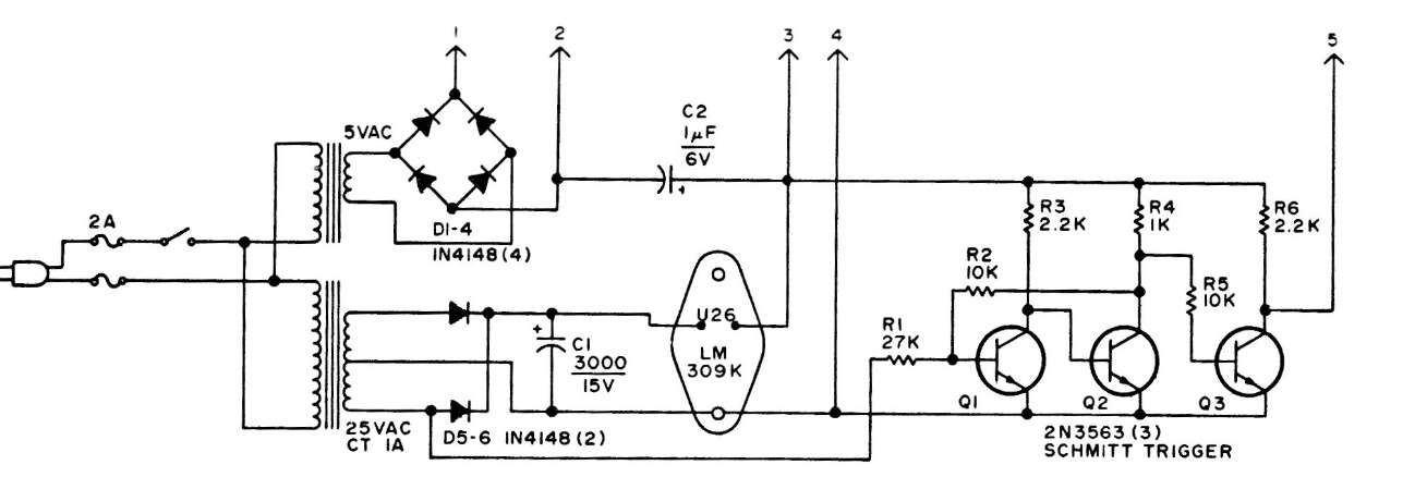
This power supply has been suggested for powering a meter with Numitron-type valves, which are currently uncommon. Note the use of two transformers. The regulator and transistors must be mounted on heatsinks.
This power supply has been suggested for powering a meter with Numitron-type valves, which are currently uncommon. Note the use of two transformers. The regulator and transistors must be mounted on heatsinks.