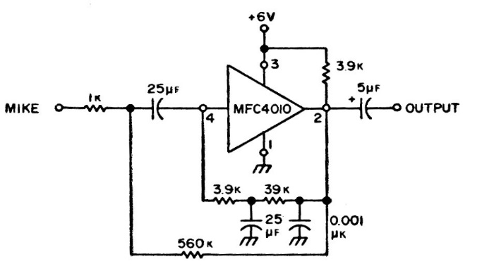
Motorola's MFC4010 integrated circuit is uncommon in the market today, as the application is from 1975 documentation. However, the configuration can be adapted for modern operationals.
We found this complementary simetry configuration in a1980s documentation. Transistors, which are...
This circuit was obtained from the May 1971 issue of Radio Electronics magazine and is intended for...
This circuit acts as a VU-meter when connected at the output of any audio amplifier, triggering a...