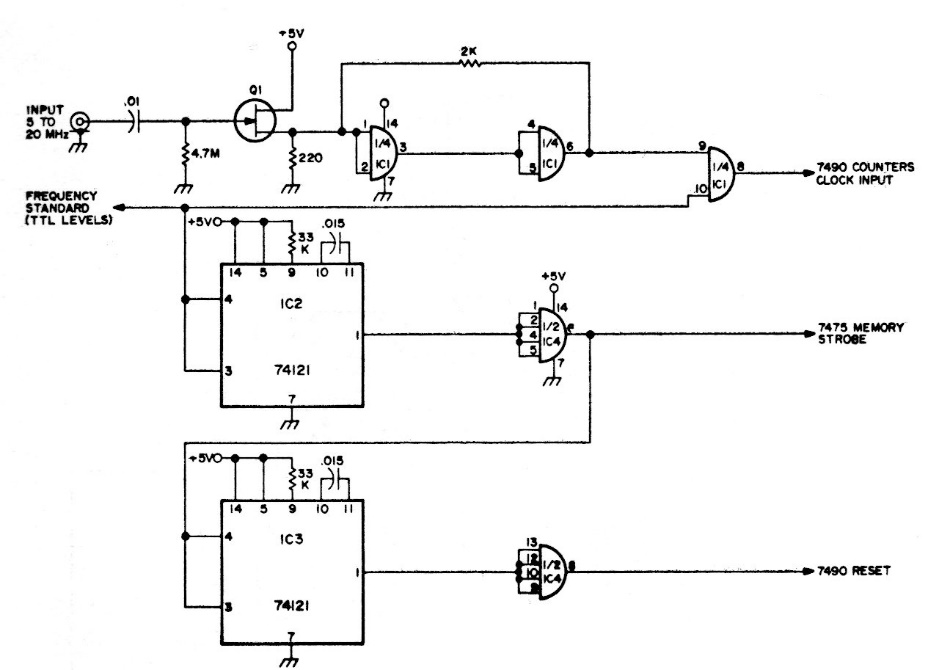
We found this circuit in documentation from the 1980s. It is an input stage for a digital frequency meter. The circuit can operate with signals up to a few tens of megahertz.
We found this complementary simetry configuration in a1980s documentation. Transistors, which are...
This circuit was obtained from the May 1971 issue of Radio Electronics magazine and is intended for...
This circuit acts as a VU-meter when connected at the output of any audio amplifier, triggering a...