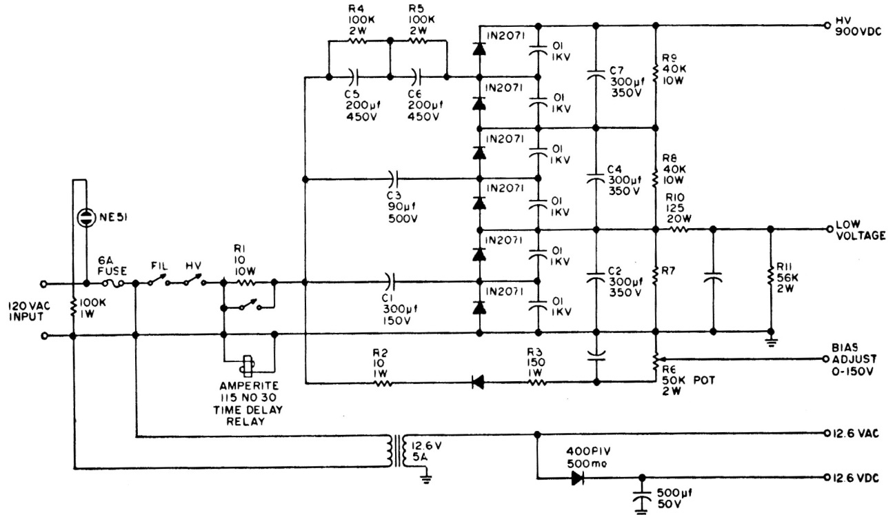
This high voltage source supplies at its output a voltage that is six times the value of the peak input voltage and can be used in valve circuits and other high voltage applications. The diodes must have voltages according to the application and the output current is low.




