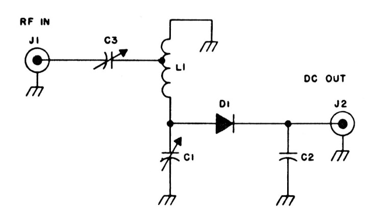
This detector circuit was found in documentation from the 1980s. The diode is a high frequency detector type and no information about the coil is given. The signal must be applied to a good amplification stage.
This detector circuit was found in documentation from the 1980s. The diode is a high frequency detector type and no information about the coil is given. The signal must be applied to a good amplification stage.