This circuit is used in frequency meters to isolate the input output. The circuit is from old documentation. Equivalent operational amplifiers can be used.
We found this complementary simetry configuration in a1980s documentation. Transistors, which are...
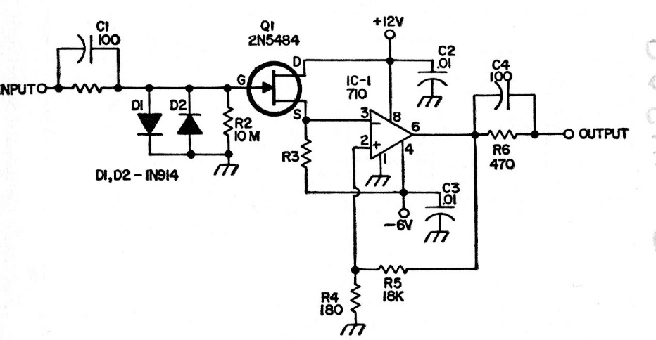
This circuit was obtained from the May 1971 issue of Radio Electronics magazine and is intended for...
This circuit acts as a VU-meter when connected at the output of any audio amplifier, triggering a...