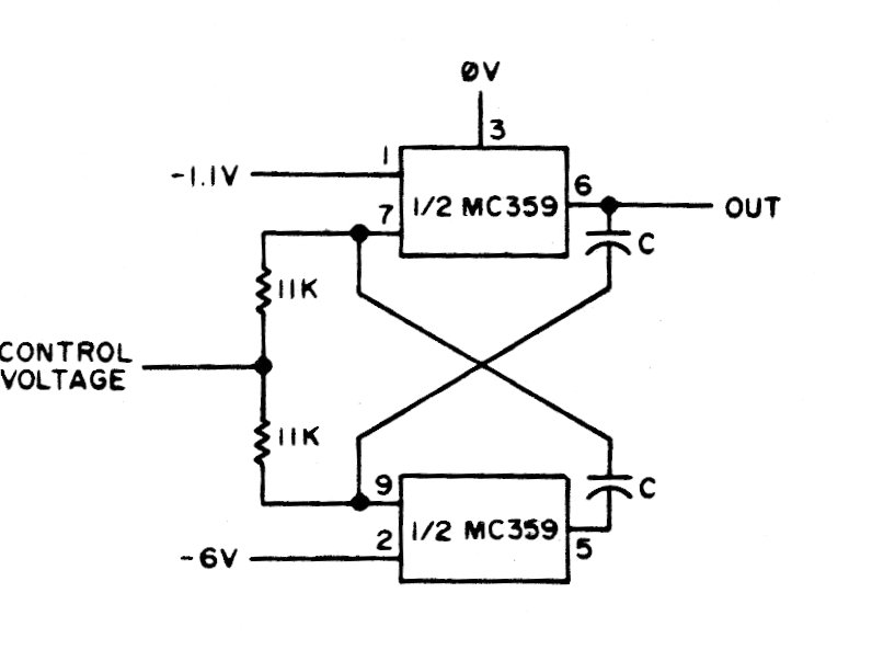
We found this circuit in documentation from the 1980s. The integrated circuit used is uncommon today, and the use of a modern equivalent should be analyzed.
This circuit was found in a 1977 documentation. With it we have the direct indication, through LEDs...
In the figure we have the CMOS logic test circuit developed with the 4049. The circuit activates three...
This headlight reminder for your car was found in the May 1970 issue of Radio Electronics...