The integrated circuit used in this application is uncommon today. The circuit is from American documentation from the 1980s. It can be changed to use more modern equivalent components.
This circuit causes the relay to be energized when the input voltage exceeds the voltage value of...
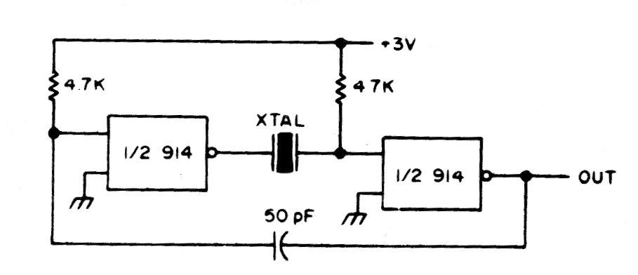
The maximum frequency of this circuit is 500 kHz. We found it in a documentation for radio...
The mains cables work as antennas. We can take advantage of them with this circuit that consists of a...