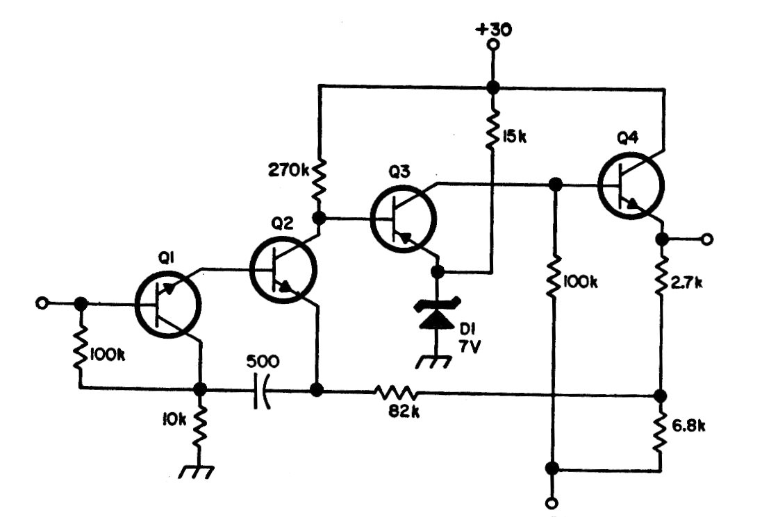
The operating range of this circuit ranges from 0.5 to 2 MHz and its gain is 11dB. Transistors can be of general use. We found this circuit in an 80's documentation. The input impedance is 32M ohms.
The operating range of this circuit ranges from 0.5 to 2 MHz and its gain is 11dB. Transistors can be of general use. We found this circuit in an 80's documentation. The input impedance is 32M ohms.