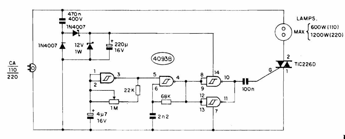
This old circuit is suitable for signaling applications. The lamp must be incandescent, and the triac must be mounted on a heat sink. The frequency is adjusted in the 1 M trimpot.
This circuit causes the relay to be energized when the input voltage exceeds the voltage value of...
The maximum frequency of this circuit is 500 kHz. We found it in a documentation for radio...
The mains cables work as antennas. We can take advantage of them with this circuit that consists of a...