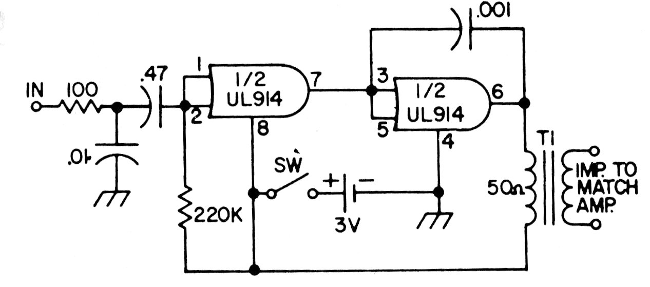
This circuit is from a documentation from the 70s. The circuit uses logic gates of the time, which in many cases were arrays of transistors allowing use as audio amplifiers, as in this case.
This two-tone decoder has a bandwidth of 24%. The circuit is from a 1994 Electronics Now. The...
This circuit was found in documentation from the 90s, being indicated for the deflection of...
This circuit decodes a two-bit value into four outputs (one of four). The circuit must be powered by...